Page 1 sur 2
Start bouton poussoir
Publié : lun. 18 sept. 2023, 5:21 pm
par gallag
Bonjour à tous !
J'ai des problèmes de contacteur à clef 5 positions avec mon Sole Diesel Mini 17 de 2016.
Pour faire court 3 ans après installation du moteur neuf en 2016 (par un pro) la position start a commencé à ne lancer le démarreur que de façon très aléatoire (il fallait titiller la clef) jusqu'au jour où plus rien.
J'ai monté un contacteur neuf d'origine et à nouveau tout à bien fonctionné... pendant 3 ans ! ensuite retour du problème, le même exactement.
Comme je sais comment ça va évoluer, plutôt que de racheter un nouveau contacteur (130 euros quand même !) j'aimerai contourner la fonction start de la clef (position 5) par un bouton poussoir, mais je ne sais pas trop ce que je dois shunter avec ce bouton.
Quelqu'un peu m'aider ?
Cordialement.
Re: Start bouton poussoir
Publié : lun. 18 sept. 2023, 7:23 pm
par olof
Bonsoir,
juste le + après contact sur un plot et le + relais démarreur sur l'autre.
Re: Start bouton poussoir
Publié : lun. 18 sept. 2023, 9:45 pm
par gallag
Bonsoir et merci Olof pour ta réponse mais... qu'entends-tu par "le + après contact" ?
Sinon le relais démarreur est relié par une prise à un faisceau électrique assez touffu et je ne sais pas trop comment repérer son +...
Re: Start bouton poussoir
Publié : lun. 18 sept. 2023, 9:54 pm
par gallag
Est-ce que tu veux dire qu'à l'arrière de mon contacteur à clef je branche le bouton poussoir pour faire une jonction entre la fiche ou arrive le + batterie (fil rouge/borne : 30 battery) et la fiche qui va au relais (fil rose/borne 50 cranking) ?
Re: Start bouton poussoir
Publié : lun. 18 sept. 2023, 10:57 pm
par olof
Pas tout à fait: oui pour le fil qui va au relais, mais il faut que le + qui va l'alimenter quand tu vas actionner le poussoir soit lui même alimenté seulement quand ta clé est en position contact.
Sinon, si tu branches directement le + batterie, l'inter sera tout le temps alimenté et pourra actionner le démarreur même sans clé.
Bon courage
Re: Start bouton poussoir
Publié : mar. 19 sept. 2023, 3:19 pm
par gallag
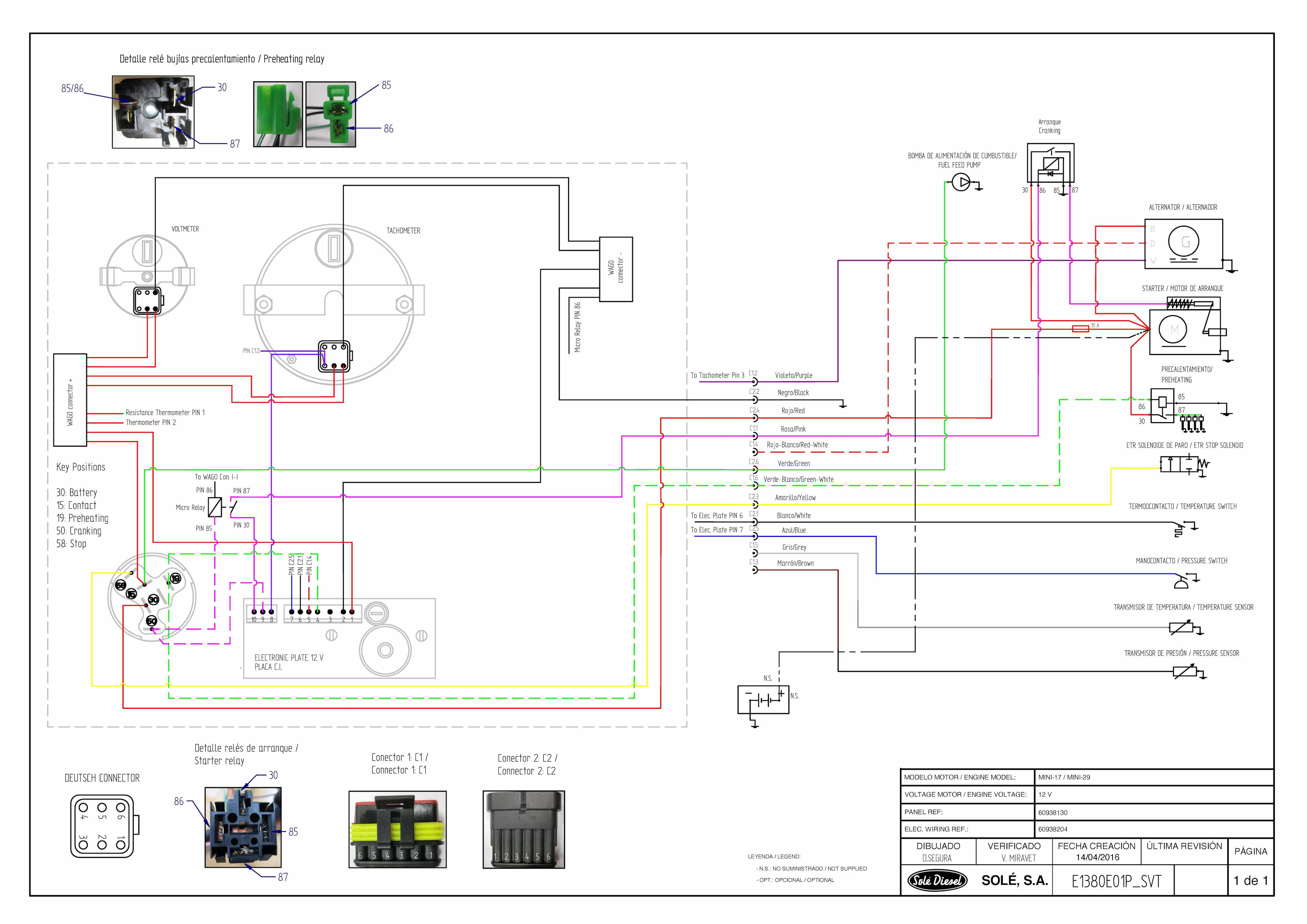
Je poste le schéma électrique de mon tableau de commande car j'aimerai avoir un bouton poussoir qui qui agit après le micro relais de la carte et le relais de démarrage pour éviter de la griller la dite carte.
C'est possible ou pas ?

- câblage forum.jpg (792.76 Kio) Consulté 3185 fois
Re: Start bouton poussoir
Publié : mar. 19 sept. 2023, 9:29 pm
par gallag
en fait shunter le 30 et le 87 du relais de démarrage.
Re: Start bouton poussoir
Publié : mer. 20 sept. 2023, 11:45 pm
par binchi
A première vue tu dois avoir dans ton tableau un connecteur Wago avec 6 fils rouge et un fil rouge/noir qui part de ton contacteur ('borne 50). Pour être sur de ton câblage tu peux vérifier, avec un Metrix, que tu as 0 Volts entre les fils rouge et la masse lorsque le contact est coupé et 12 Volts quand tu mets le contact. Si Ok tu peux mettre un bouton poussoir entre les fils rouge et le fil rouge/noir. Ça devrait marcher.
Re: Start bouton poussoir
Publié : mer. 20 sept. 2023, 11:53 pm
par binchi
Pardon, j'ai fait une erreur en essayant de traduire les couleurs. Il ne s'agit pas du fil rouge/noir mais rose/noir.
Re: Start bouton poussoir
Publié : mar. 26 sept. 2023, 9:27 pm
par gallag
Le shunt du fil rose/noir sur le rouge n'apporte aucune amélioration à mon problème.
En fait j'ai récupéré le cahier des charges Sole Diesel pour mon Mini 17 et ils préconisent pour la liaison batterie des câble de 70 mm2 MINIMUM pour une longueur maxi de 1,50 m. Mais le mécano qui a installé mon moteur a utilisé des câbles de 25 mm2.
Avis pris auprès d'autres pros, tous me disent que 25 ça suffit largement et que 70 c'est inutile.
Je ne sais pas quoi en penser...
